-
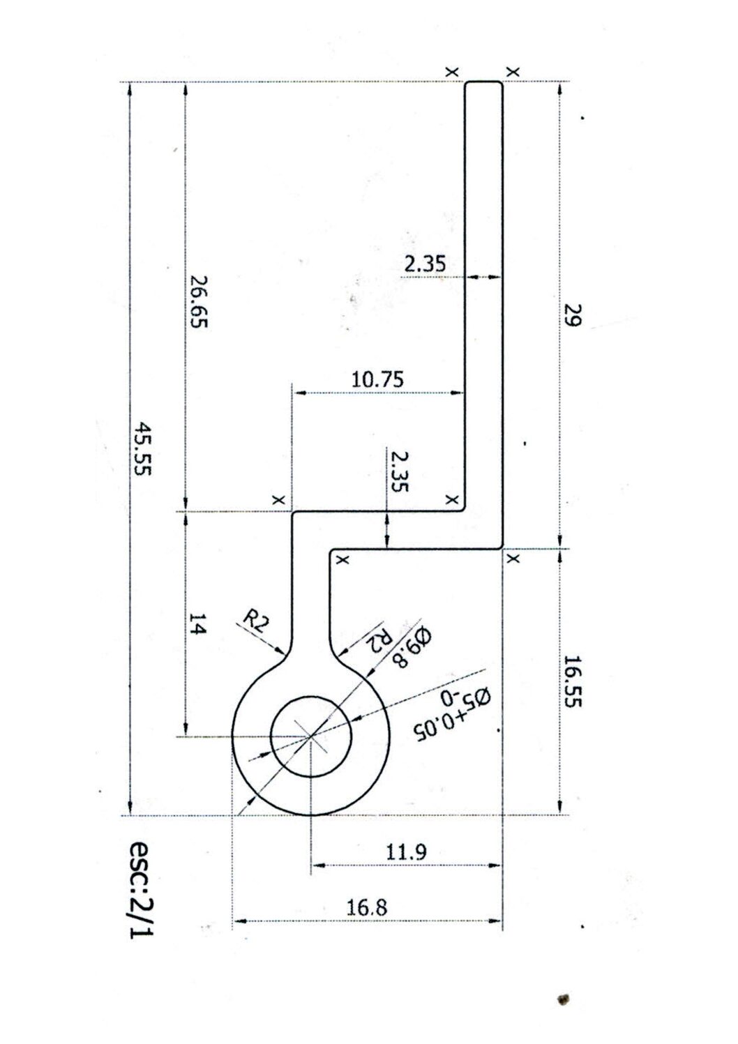
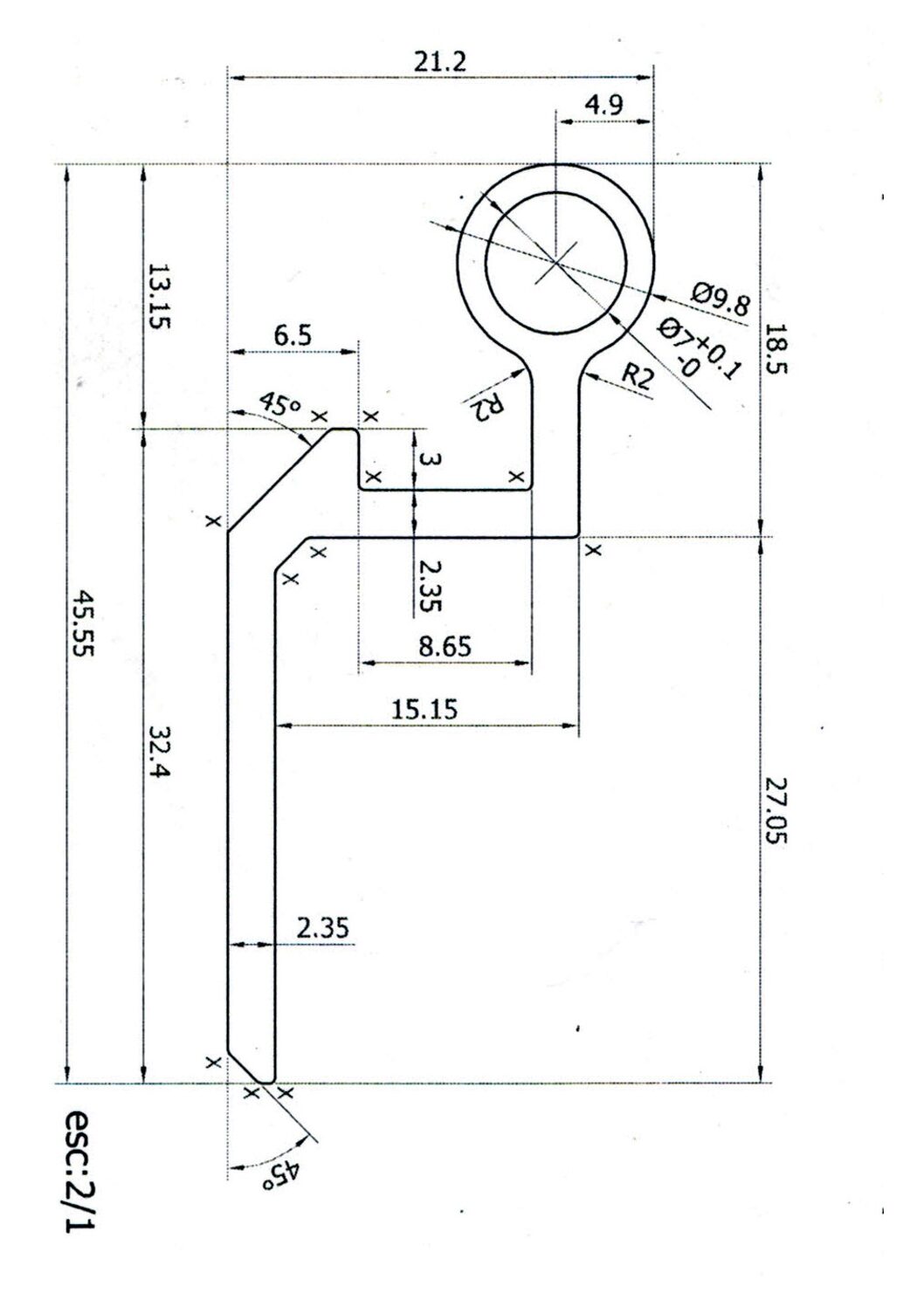
Overall height: 45.55mm
-
Overall width: 16.8mm
-
Material thickness: 2.35mm
-
Fixing hole diameter: 9.8mm
-
Hole tolerance: ±0.05mm
-
Internal bend radius: R2
Precision-formed stepped bracket with a consistent thickness throughout, featuring a pre-drilled fixing hole for secure installation. Designed for accurate fitment in confined spaces.
All dimensions are shown in millimeters (mm).



